
产品的特性:
!、可做为管道万向接头使用
2、具备补偿能力强、流体阻力和变形力小、无盲板力且对固定支座作用力小等特点。
3、增设了具有克兰密封技术专利的可注填料装置,密封性能更加稳定可靠。
运行参数:
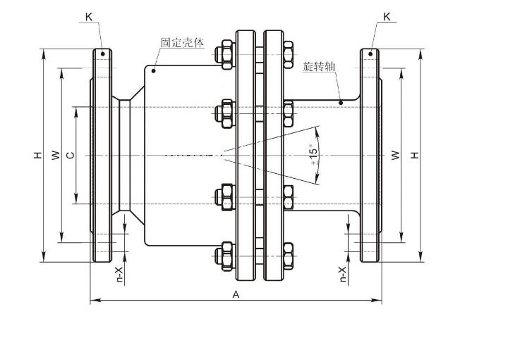
球体转到旋转接头
适用环境:钢铁步进式加热炉炉底汽化系统
主体材质:不锈钢/碳钢
摆动角度:±15゜
极限温度:–20℃–600℃
最大压力:4.5MPa
流通介质:水、蒸汽、油等
密封材质:克兰密封材料
产品系列:DN40、DN50、DN65、DN80、DN00、DN125、DN150、DN200


