产品分类
联系方式
- 联系人:杨经理
- 电话:0533-4669222
- 手机:15094877555
|
|
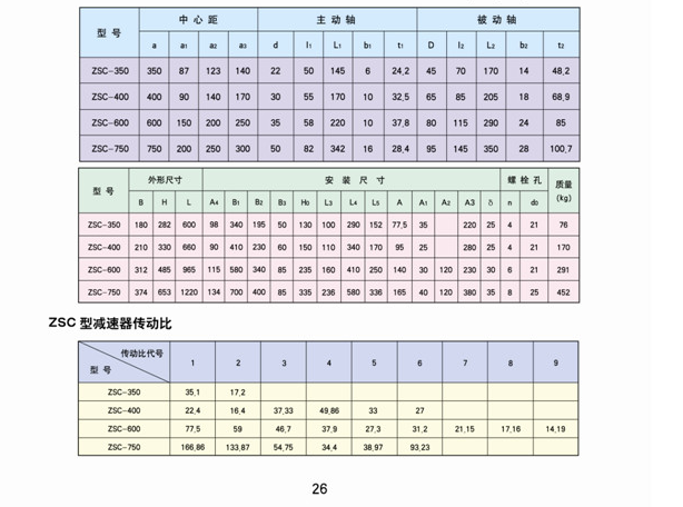
首页 > 供应产品 > ZSC(A)、ZSC型系列减速器 电动滚筒
 点击图片查看原图
|
|
| 产品: |
浏览次数:831ZSC(A)、ZSC型系列减速器 电动滚筒 |
| 品牌: |
淄博银丰机械 |
| 类型: |
动力滚筒 |
| 轴直径: |
35-200mm |
| 表面处理: |
包胶 |
| 单价: |
面议 |
| 最小起订量: |
1 台 |
| 供货总量: |
1000 台 |
| 发货期限: |
自买家付款之日起 3 天内发货 |
| 有效期至: |
2020-06-21 [已过期] |
| 最后更新: |
2018-06-22 09:46 |
|
|